cz
en

Zapojení čidel s proudovým výstupem

Čas od času se při realizacích setkáme s aktivními čidly s proudovým výstupem 0...20 nebo 4...20 mA. Jak je správně připojit na analogové vstupy I/O modulů?

Standard proudové smyčky vznikl jako odpověď na požadavek po robustním analogovém signálu, který by byl jednoduše nasaditelný, umožňoval přenos signálu na větší vzdálenosti a byl odolný proti rušení. Čidlo s proudovým výstupem tedy představuje zdroj proudu o hodnotě, která je úměrná měřené veličině. Zprvu se používal signál 0...20 mA, později se ustálil standard 4...20 mA. Nenulový klidový proud umožňuje snadno detekovat přerušení měřicí smyčky, tedy ztrátu signálu, což by se u rozsahu 0...20 mA mohlo zaměnit s měřenou veličinou na dolním konci rozsahu.

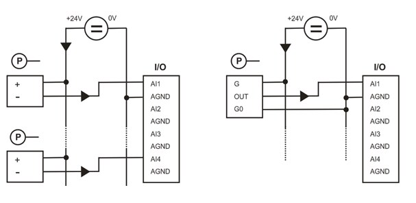
Setkáváme se jednak s čidly s dvouvodičovým připojením, která se vkládají do napájecího okruhu a vlastně omezují proud, který jimi protéká, a čidly s třívodičovým připojením, která mají zvlášť napájecí svorky a zvlášť svorku výstupní, která představuje zdroj signálového proudu proti zemi. Čidla jsou většinou napájena z externího zdroje 24 V ss, výrobci obvykle připouštějí širší rozsah napětí, např. 24...36 V ss. Při dodržení několika základních pravidel lze tento zdroj použít i pro napájení I/O modulů, i když se doporučuje I/O moduly napájet ze samostatného transformátoru 24 V st.

Na vstupní moduly lze připojit oba typy, dvouvodičová i třívodičová čidla. Příslušný vstup musí být nastaven jako proudový pomocí přepínače (např. moduly R560, RCIO) nebo jumperu (např. RXIO, markMX). Pozor, u některých vstupů není možné proudovou smyčku použít – vstupy nejsou vybaveny potřebnými vstupními obvody. Zkontrolujte již při projektování v katalogovém listu, že příslušný vstup opravdu proudový rozsah podporuje.

Pro dvouvodičové čidlo musí mít modul i zdroj společnou zem, aby zdroj mohlo využívat více čidel zároveň. To je realizováno v bodě propojení AGND (případně AIC, podle typu modulu) a 0 V.

Jeden zdroj tedy může napájet více čidel. Musíme jen dbát na to, aby čidlo bylo vždy zapojeno kladným vodičem na kladný pól zdroje a záporným vodičem na kladný pól vstupu. Je dobré také ověřit dostatečný výkon zdroje: jedno čidlo při plném signálu spotřebovává cca. 2 VA.

U třívodičových čidel vychází proudový výstupní signál z výstupu čidla OUT a teče vstupem AI na potenciál země G0 / 0V, tedy do zdroje napájení. Šipky ukazují směr toku proudu. Zapojení je tedy podobné, jako u napěťových čidel.

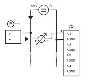
Další případ může nastat, když v okruhu má ještě být další vstup panelového indikátoru nebo stávajícího měřicího systému. Zapojení pak vypadá takto:Pozor ale na záporný pól vstupu cizího systému. Ten nesmí být spojen ani se zemí napájení (0V), ani se signálovou zemí. Pokud by tomu tak bylo, připojení jednoho čidla na dvě měřicí zařízení (vstupy) není možné. Totéž platí pro třívodičová čidla: výstup čidla i oba vstupy měřicích zařízení musejí být zapojeny sériově, aby oběma vstupy protékal stejný měřený proud.

Nezapomeňme v softwaru správně nastavit rozsah vstupu na 0...20 mA a zadat přepočítávací konstanty v transformaci. Spíše než lineární transformace je vhodnější transformace dvoubodová:

Umožňuje totiž snadno a srozumitelně nastavit horní a dolní mez měřeného rozsahu, a to zejména u signálu 4...20 mA. Na příkladu výše je nastavení vstupu pro čidlo diferenčního tlaku s měřicím rozsahem -50...+50 Pa. Vstupní hodnoty jsou v uA (tak přicházejí do programu ze vstupních modulů).

U lineární transformace „Kx + Q“ například pro čidlo tlaku 0...20 mA s rozsahem 0...6 bar bude K = 6 / 20000 = 0.0003 a Q = 0, pro čidlo vlhkosti 4...20 mA s rozsahem 0...100 % získáme koeficienty vyřešením soustavy dvou rovnic pro 4 a pro 20 mA:

0 = K*4000 + Q

100 = K*20000 + Q

Výsledkem bude K = 0,00625 a Q = -25.