Cílem distributora elektrické energie je mít na straně zákazníků pokud možno konstantní odběr. Jedním z opatření, jak toho dosáhnout, je zamezit odběrovým špičkám u jednotlivých zákazníků. Smluvně to znamená, že zákazník nesmí překročit maximální sjednané množství elektrické energie, kterou odebere během patnáctiminutového intervalu. Toto sjednané množství energie se jmenuje čtvrthodinové maximum. Pokud je tento limit překročen, zákazník platí smluvní pokutu. Překračování čtvrthodinového maxima hlídá digitální elektroměr, instalovaný u zákazníka. Čím je nasmlouvaná hodnota větší, tím je sice menší riziko jejího překročení, ale zároveň zákazník platí za povolené maximum vyšší paušální poplatky.
Aby byl zákazník schopen nasmlouvanou maximální hodnotu efektivně využít a přitom nepřekročit, využívá regulátory čtvrthodinového maxima: zařízení, která snímají aktuální odběr a pokud hrozí překročení nasmlouvaného odběru, automaticky odpínají některé spotřebiče. Při správném rozdělení odpínatelných spotřebičů do skupin je možné původní nasmlouvanou hodnotu čtvrthodinového maxima snížit a tím ušetřit na paušálních platbách. Regulátor čtvrthodinového maxima si tak na sebe může v krátké době vydělat; hodně ovšem záleží na tom, kolik výkonu je možné kdykoli dočasně odepnout bez rizika provozních problémů, a na rozdělení spotřebičů do skupin.
Jako vstupní informaci pro algoritmus potřebujeme jednak množství energie odebrané v aktuální čtvrthodině, jednak informaci o tom, kdy aktuální čtvrthodina začala a kdy končí (musíme být sesynchronizováni s elektroměrem, abychom počítali stejně jako on: čtvrthodina nám musí začít ve stejný okamžik, jako hlídacímu algoritmu maxima v elektroměru).
Množství energie dostáváme v podobě impulsů z pulsního výstupu elektroměru. Distributor má poměrně přísná pravidla ohledně zařízení, která lze na elektroměr připojovat, a proto vyžaduje, aby signály byly z důvodů ochrany elektroměru opticky odděleny. Optické oddělovače dodává obvykle elektromontážní firma, která elektroměr instaluje, protože přívody jsou pod plombou. Výstupem pro systém měření a regulace je nejčastěji tranzistorový výstup s otevřeným kolektorem. Ten se připojí na vstup čítacího modulu (např. Domat M710), přičemž jeden impuls odpovídá určitému množství energie. Čítací modul počítá impulsy v rámci čtvrthodiny a poskytuje tak informaci, kolik energie se již spotřebovalo. Další možností je tzv. výstup S0, což je kontakt nebo otevřený kolektor, doplněný odpory tak, aby v aktivním stavu byl odpor výstupu menší, než v neaktivním stavu. Toto zapojení se používalo především proto, že při spínání kontaktu nevzniká jiskra. Další výhodou je ale možnost detekce přerušeného vedení (v tom případě je odpor smyčky nekonečně velký).
Druhým signálem je synchronizační signál. Elektricky je stejný jako signál o množství energie, elektroměr ho ale vysílá jednou za 15 minut, vždy se startem nové čtvrthodinové periody. Na základě náběžné hrany synchronizačního impulsu musí algoritmus E-Max zahájit novou čtvrthodinu.
Regulátory pracují s jedním algoritmem nebo kombinací několika algoritmů. U sofistikovanějších regulátorů si uživatel může typ algoritmu nastavit, určit každému algoritmu váhu, s jakou se bude uplatňovat, nebo dokonce se může váha algoritmu během čtvrthodiny automaticky měnit. Spotřebiče jsou přiřazeny do několika skupin podle priorit, obvykle se používá 4 až 8 skupin, a pro každou skupinu jsou v algoritmech nastaveny jiné parametry odpínání.
Pracuje tak, že při překročení definované spotřeby během čtvrthodiny se příslušná skupina odepne. Na základě analýzy průběhu spotřeby zákazníka se stanoví ochranné pásmo na začátku čtvrthodiny, kdy algoritmus není v činnosti a všechny skupiny jsou aktivní. Hladinový algoritmus rovněž většina regulátorů využívá jako bezpečnostní pojistku, která po překročení nasmlouvaného maxima okamžitě odpojí všechny kanály.
Kompenzační algoritmus je nejpoužívanějším algoritmem. Přímka ideálního odběru spojuje počáteční a koncový bod čtvrthodiny se spotřebami 0 a E-Max. Pokud skutečný odběr překročí některou z odpínacích přímek, dojde k odpojení příslušné skupiny. Po případném návratu skutečného odběru pod zapínací přímku se skupina do konce čtvrthodiny ještě stačí znovu zapnout. Pro názornost jsou v grafu jen dvě skupiny, s plnou a tečkovanou čarou. Skupina 1 s plnou čarou má nižší prioritu, tedy neobsahuje tak důležité spotřebiče a odpíná dříve. Skupina 2 s tečkovanou čarou odepíná později, tedy algoritmus se ji snaží udržet co nejdéle zapnutou a naopak ji případně znovu zapnout co nejdříve.
Kompenzační algoritmus (podle [1])
V praxi se používají regulátory s až 8 skupinami, pro názornost jsou v grafu jen skupiny dvě. U některých variant algoritmu jsou zapínací přímky rovnoběžné s přímkou ideálního odběru; v následujícím obrázku jsou pro názornost použity poněkud velké diference, takže v našem příkladu již ani po snížení odebíraného výkonu do konce čtvrthodiny k opětovnému připnutí žádné ze skupin nedojde (křivka skutečného odběru by musela protnout jednu nebo více zapínacích přímek).
Kompenzační algoritmus s rovnoběžnými zapínacími přímkami
U predikčního algoritmu je rozhodující trend spotřeby, tedy hodnota okamžitého výkonu v závislosti na čase čtvrthodiny. Predikuje se celková spotřebovaná energie za předpokladu, že aktuální hodnota výkonu zůstane do konce čtvrthodiny nezměněna. Pokud by ke konci čtvrthodiny byla překročena hodnota E-Max, skupina je odepnuta (červené přímky – jejich směrnice je větší, než směrnice spojnice aktuálního bodu s bodem [15 min., E-Max] a tedy přímky protínají hodnotu E-Max dříve, než nastane konec čtvrthodiny). Pokud by predikce odhadla spotřebu ke konci čtvrthodiny nižší, než E-Max, skupina je připnuta (zelené přímky – protínají hodnotu E-Max až za koncem čtvrthodiny).![Predikční algoritmus (podle [1])](https://domat.blob.core.windows.net/imagehandler/domat.blob.core.windows.net/cms/ContentItems/348_00348/WCpXgq/m_max__w_600__h_2000__o/predikcni.jpeg)
Predikční algoritmus (podle [1])
Regulátor čtvrthodinového maxima může být samostatný přístroj, např. zde, pokud je ale v objektu instalován volně programovatelný systém řízení budovy (Building Management System, BMS), lze algoritmus E-Max realizovat i v něm. Výhodou pak je snadná integrace do vizualizace včetně záznamu historických dat spolu s ostatními daty ze systému, ale především možnost odpínat veškeré spotřebiče, které jsou ze systému BMS řízeny, a to i v různých rozvaděčích. V jedné odpínané skupině tak mohou být agregáty z několika objektů, signály pro odpínání se přenášejí po sběrnici BMS v rámci systému bez dalších nákladů.
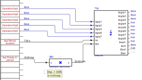
Při práci v programovacím prostředí RcWare SoftPLC IDE při použití bloku T34 pro řízení čtvrthodinového maxima vznikne otázka, jak se vlastně počítají vstupní veličiny a parametry, vztahující se k elektřině. Blok využívá kompenzační algoritmus s rovnoběžnými zapínacími přímkami a řídí až 8 skupin spotřebičů.
U Ein (kWh) je to celkem jasné, jedná se o množství energie jako na elektroměru, tj. přibývající číslo od nuly do hodnoty natočené v 15. minutě. (Hodnota Ein se v modulu M710 s příchodem synchonizačního impulzu z elektroměru rozvodných závodů automaticky nuluje.) Počet impulsů z modulu M710 musíme tedy násobit váhou impulsu, tj. hodnotou, kolik kWh představuje jeden impuls.
Tin (s) je aktuální čas periody, tedy obvykle 0..900 s; tato hodnota je generována v modulu M710 a také se automaticky nuluje s příchodem synchronizačního impulzu z elektroměru.
Zjednodušené použití bloku T34
Parametr Emax je v popisu nazván „maximální energie během měřicí periody“. Touto periodou je čtvrthodina, tedy 15 minut. Jelikož jde o energii (vykonanou práci), udává se v kWh. Zrada je v tom, že to je energie spotřebovaná během patnácti minut, zatímco písmenko „h“ v názvu jednotky (kWh) připomíná hodinu. (Kdybychom používali jinou jednotku energie, např. MJ, tohle zmatení by odpadlo.) Proto se občas vyskytne snaha tento parametr násobit čtyřmi („protože hodina obsahuje čtyři čtvrthodiny“). To je v zásadě špatně, jde stále o množství energie, které budova spotřebuje za 15 minut, tedy během jedné měřicí periody. Pokud nyní nesouhlasíte, vydržte, na konci této části to dopadne jinak.
Parametr E-Max se zadává na základě údaje od rozvodných závodů, a sice nasmlouvaného čtvrthodinového maxima. Operátoři ovšem uvádějí tzv. nasmlouvaný čtvrthodinový výkon. Fyzikálně je to podezřelé, výkon je okamžitá hodnota! Jedná se zde o takový výkon, který kdyby byl konstantně spotřebováván po dobu patnácti minut, dodal by stejné množství energie, jako nasmlouvané čtvrthodinové maximum – tedy o průměrný povolený příkon za měřicí čtvrthodinu.
Pro to, abychom získali parametr Emax, musíme hodnotu nasmlouvaného čtvrthodinového výkonu dělit čtyřmi.
Všechny další parametry (Esoll, Eest) jsou v kWh k aktuální čtvrthodině
Pro optimální regulační zásahy je nutné nastavit odpínací diference – parametry D1 až D8, které odpovídají příkonům jednotlivých skupin. Opět musíme dbát na to, že se numericky zadávají čtvrthodinové spotřeby energie. Má-li tedy skupina příkon 80 kW, za hodinu by spotřebovala 80 kWh, za 15 minut pak 80 / 4 = 20 kWh a příslušný parametr bude 20 (kWh). D off je v podstatě hystereze, ofset (posuv) zapínacích přímek vůči (modré) linii ideálního odběru.
Odpínací a zapínací diference
Pokud bychom ovšem chtěli, aby hodnota E-Max číselně odpovídala nasmlouvanému čtvrthodinovému výkonu, museli bychom odpovídající parametry znásobit počtem čtvrthodin v hodině, tedy 4. Do E-Max by se pak zadávala (ve smyslu předchozího příkladu) hodnota 600 (kW), aktuální spotřeba by musela do bloku vstupovat jako Ein*4 (kW), kontrola jednotek: kWh/(h/4), tedy kilowatthodiny za čtvrthodinu. „Spotřeba“ v kW sice nedává smysl, číselně to ovšem odpovídá. Hodnotu bychom mohli lépe nazvat „průměrný příkon v celé aktuální čtvrthodině“. Obdobně bychom museli upravit parametry D…, které by pak měly hodnoty příkonů skupin v kW. Tento způsob prezentace je obvyklý a pro uživatele většinou srozumitelnější, než reálné spotřeby, numericky čtyřikrát menší.
Toto nastavení je v bloku T34 kvůli jeho univerzálnosti: všimněte se, že lze měnit délku periody, která nemusí být jen 15 minut. Blok lze tedy využít pro řízení maximální spotřeby nebo výroby jakékoli energie či jiného média (plynu, vody atd.).
Abychom dosáhli co možná plynulého řízení odběru bez většího omezování provozu budovy, odpínání probíhá po více skupinách s různými prioritami. Nejnižší provozní priorita se odepíná jako první, nejvyšší priorita jako poslední. Běžné regulátory čtvrthodinového maxima řídí 6 – 8 skupin. Je zřejmé, že jako první se snažíme omezit spotřebu méně důležitých zařízení nebo zařízení s určitou setrvačností, jako je například elektrický ohřev TUV nebo elektrokotel. Pak následují další, důležitější celky – je možné omezit provoz velkých vzduchotechnických jednotek (pokud nezásobují nějakou citlivou technologii) či chladicích strojů pro klimatizaci. Zařízení kritická, jako je například osvětlení nebo komerční chlazení, provozovatel většinou odpínat nepovolí. Přiřazování spotřebičů do skupin musí být vždy schváleno provozovatelem, který si musí být vědom dopadů odpínání jednotlivých spotřebičů na technologie v budově. U složitějších budov s velkým množstvím technologií je možné, aby si uživatel sám přiřazoval (například ve vizualizaci) jednotlivé spotřebiče nebo jejich skupiny, kterých může být až několik desítek, do skupin priorit.
Přiřazování spotřebičů do skupin je vždy předmětem mnoha diskuzí. Musíme dbát i na fakt, že časté zapínání a vypínání zkracuje životnost motorů a některé spotřebiče není možné po vypnutí ihned znovu zapnout, musí být dodržena minimální doba vypnutí.
Všimněme si, že významné spotřebiče energie, jako jsou kompresory potravinového chlazení a osvětlovací tělesa, z technologických a bezpečnostních důvodů odepínat není možné.
Během odpínání skupin může dojít k situaci, že odepínaná skupina nebo spotřebič není z provozních důvodů aktivní, například elektrická patrona v ohřívači TUV je vypnuta, protože voda dosáhla požadované teploty. Je jasné, že odepnutí takové neaktivní skupiny nám v řízení maxima příliš nepomůže – na spotřebu nebude mít žádný vliv a jen ztratíme čas, než algoritmus zjistí, že neblahý trend pokračuje, a odepne skupinu následující. Proto tam, kde je to možné, používáme zpětné hlášení chodu. Pokud není nějaká skupina aktivní, je v odpínací sekvenci automaticky přeskočena a odpíná se další skupina s vyšší prioritou provozu.
Pro hlášení chodu slouží v bloku T34 binární vstupy. Na příkladu jsou zapojeny vstupy 1, 2, 3, 5 a 7. U vstupů 4, 6 a 8 nebylo možné signál chodu získat – buď není v systému k dispozici, nebo skupina řídí větší množství menších spotřebičů. Tyto skupiny tedy mají vstupy skryty v bloku, jsou odpojovány „naslepo“ a algoritmus předpokládá, že odpojení skupiny se projeví ve snížení spotřeby.
Signály hlášení chodu skupin
Podobný problém, jako u spotřeby, se může vyskytnout i na straně výroby: fotovoltaické elektrárny nesmějí do sítě dodávat během měřené čtvrthodiny více, než nasmlouvané maximum. Zajímavý pohled na tuto problematiku je zde.
Dodavatel měření a regulace by měl mít v požadavcích na ostatní profese zadáno, že zákazník, resp. jeho dodavatel elektro dodá optické oddělovací členy a zajistí jejich připojení na elektroměr. Toto připojení je pod plombou a smí ho provádět jen subjekt autorizovaný distributorem energie. Je proto vhodné na impulsní výstupy pamatovat, dokud se dodavatel ještě pohybuje na stavbě.
Měla by být co nejkratší, aby nemohlo dojít k nakmitání rušivých signálů na vedení, načítání falešných impulsů a odpínání skupin i tehdy, není-li to nutné. Vstupní modul se proto snažíme instalovat co nejblíže optickému oddělovacímu modulu. Ten je ale obvykle v rozvodně VN, kam není běžně umožněn přístup. Pokud nepřekročíme délku vedení 10 – 15 m, nemělo by k problémům docházet.
Tento údaj by měl být vyznačen na elektroměru. Lepší je, máme-li váhu impulsu potvrzenu od distributora el. energie. Někdy je toto číslo racionální, tedy například při 3 imp./kWh je dobré váhu impulsu zadávat s maximálním rozlišením (např. 0.3333333 kWh/imp.).
Jejich transformační poměr musíme uvažovat při výpočtu váhy impulsu. Doporučuje se změřit spotřebu za určitý interval pomocí impulsů a zároveň odečítat energii na displeji elektroměru. Obě hodnoty musejí souhlasit.
Odsouhlasuje zákazník, protože odpínání spotřebičů může mít vliv na provoz objektu. Problém někdy je, že „není co odpínat“ – v objektu nejsou významné spotřebiče, které by mohly být odpínány, nebo spotřebiče nemají možnost dálkového odpínání (jsou ve vzdálených rozvaděčích atd). Pak nezbývá, než zvýšit nasmlouvané čtvrthodinové maximum i za cenu vyšších nákladů.
Zde se jedná jednak o nastavení hodnoty E-Max, která je víceméně dána hodnotou nasmlouvanou sníženou o bezpečnostní rezervu, jednak o nastavení odpínacích diferencí podle projektovaných nebo změřených příkonů spotřebičů jednotlivých skupin. Je třeba dlouhodobě sledovat průběhy spotřeb a sekvence odpínání a vyhodnotit, zda zejména odpínací diference jsou nastaveny správně.
Energetik by měl po úvaze a měření nasmlouvat s dodavatelem vhodnou velikost čtvrthodinového maxima tak, aby minimalizoval riziko překročení, ale zároveň platil co nejmenší pravidelnou částku. Rozhodující je i sezónní průběh spotřeby – jestliže překročení maxima hrozí několikrát do roka a jinak je spotřeba hluboko pod ním, může být výhodnější pokrýt pokuty za překročení z úspor za nižší sjednané maximum. U vyrovnanějších průběhů je vhodnější překročení neriskovat. Pro stanovení vhodné strategie pomáhá analýza historických dat průběhů a shromáždění podrobných informací o charakteru spotřeb. Jsou-li v technologii spotřebiče s nárazovým příkonem, často pomůže pouhé rozložení pracovních cyklů v čase a potlačení současného chodu.
[1] http://www.lubosprokes.cz/maximum.php