cz
en

Problémy u měření teplot pasivními čidly

Pasivní odporová čidla teploty jsou u zařízení TZB první volbou. Proti čidlům aktivním s napěťovým nebo proudovým výstupem nebo čidlům s digitálním výstupem (sběrnicí) jsou relativně levná a snadno se instalují, protože u nich nezáleží na polaritě vedení. Nasazení pasivních čidel však může přinášet některé problémy, jimž – a jejichž odstraňování – se budeme věnovat v následujícím textu.

Typy čidel a jejich vlastnosti

V systémech větrání, vytápění a klimatizace se časem ustálilo několik základních typů pasivních čidel:

  • NTC (s negativním teplotním koeficientem, tedy u nich se zvyšující se teplotou odpor klesá) s nejrůznějšími charakteristikami: 1.8 kΩ, 10 kΩ, 20 kΩ, případně jiný speciální rozsah. S těmito čidly se setkáme nejčastěji u splitových klimajednotek, vyznačují se širokou změnou odporu, např. u čidla NTC 10 kΩ je to 100 kΩ až 800 Ω v běžně se vyskytujícím rozsahu teplot -20 až 100 °C. Tato vlastnost ovšem znamená, že vstupní rozsah měření odporu v regulátoru musí být dosti velký.
  • Pt100 – tento měřicí prvek najdeme hlavně u kalorimetrů v podobě spárovaných dvojic čidel s pevnou délkou kabelu, což zaručuje vysokou přesnost a nemožnost ovlivňovat měření.

Pro běžné instalace ale Pt100 příliš vhodná volba není, a to pro nízký základní odpor čidla, protože měření je pak významně ovlivňováno parazitním odporem kabelu. Proto se u systému DDC nejčastěji používají čidla:

  • Pt1000 se základním odporem 1000 Ω při 0 °C, často používaný standard.
  • Ni1000-5000 (též Ni1000 TK5000, Ni1000 L&G, Ni1000 Landis, Ni1000 Siemens) s teplotním koeficientem 5000 ppm/K.
  • Ni1000-6180 (někdy zvaná Ni1000 Sauter) s teplotním koeficientem 6180 ppm/K.

Oba posledně zmíněné typy nejsou vzájemně zcela kompatibilní, pohledem do tabulky závislosti odporu na teplotě zjistíme, že již u pokojových teplot je rozdíl měření asi 4 K, u teplot horké vody 10 K i více. Proto pozor na záměnu při náhradách starších systémů: při uvádění do provozu se může zdát, že hodnota je v pořádku, protože při zkoušení vstupů a výstupů nemusíme na první pohled rozdíl odhalit.

Princip měření

Při měření odporu se čidlo napájí zdrojem konstantního proudu a měří se úbytek napětí na čidle. Základní schéma řešení vstupních obvodů (např. podle aplikační poznámky firmy Amit) je na Obr. 1, v praxi jsou obvody doplňovány filtry, ochranami proti přepětí atd.

Obr. 1: Řešení vstupních obvodůObr. 1: Řešení vstupních obvodů

Napětí Ut je přivedeno do A/D převodníku, z něj je počítán odpor a výsledek je linearizován podle převodní tabulky odpor / teplota pro příslušný typ čidla. Již zde si všimněme, že regulátor měří současně s odporem čidla i odpor přívodních vodičů, tedy kabelu, jímž je čidlo připojeno k regulátoru, a to včetně parazitních odporů všech svorek, konektorů atd. Z toho plyne první pravidlo pro připojování pasivních čidel:

Kabel od čidla vedeme přímo na svorky regulátoru, pokud možno bez nastavování kabelu, mezisvorek v rozvaděči, společných zemí pro více čidel atd. Kabel musí mít dostatečný průřez, doporučuje se 2×0,8 mm2, není tedy dobré používat UTP kabely. U vedení delších než 20 až 30 m pro jistotu spočítáme parazitní odpor kabelu (dbejme na to, že vodič vede k čidlu i od něj, tedy jmenovitý odpor žíly na jednotku délky * délka kabelu * 2) a pokud odpor hraje významnější roli – u Pt1000 je chyba u pokojových teplot asi 1 K pro každé 4 ohmy, upozorníme na to v projektu, aby programátor mohl zavést softwarovou korekci – nebo zvážíme použití aktivního čidla.

Trvalý měřicí proud čidlem by mohl vést k jeho nadměrnému ohřívání. Proto se používá pulsní měření: do čidla je měřicí proud multiplexován a přiváděn jen např. po 1/8 času, což souvisí s počtem analogových vstupů na jeden A/D převodník v regulátoru, nebo dokonce ještě kratší dobu. Proto pozor při zkušebním měření voltmetrem, který zobrazuje pouze střední hodnotu. Ideální je pro tyto případy osciloskop, jak ještě uvidíme dále.

Chyby měření – galvanické problémy

S těmito problémy se setkáváme asi nejčastěji. Jejich příčiny bývají jednak v nekvalitních projektech, jednak v odbyté realizaci. Galvanické ovlivňování měřené hodnoty čidel nastává tehdy, když do vstupních obvodů měření teploty protéká vodivou vazbou nežádoucí proud z jiných okruhů. Tento proud buď přímo prochází vstupem regulátoru do společné země, nebo vytváří na vedení od čidla k regulátoru úbytek napětí, který měřenou hodnotu zkresluje. Typicky k němu dochází při společné zemi pasivních čidel a čidel aktivních (tlak vody, relativní vlhkost atd.).

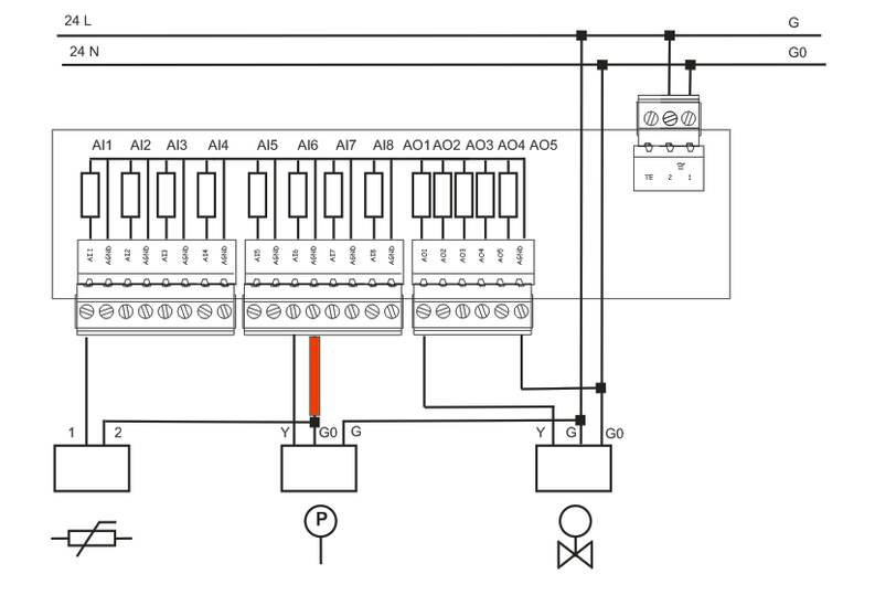
Na obrázku č. 2 je zcela chybné zapojení, kdy červeně označenou částí (a pak společnou zemí AI a AO do G0) teče napájecí proud čidla tlaku. Jak čidlo tlaku, tak především čidlo teploty je ovlivněno úbytkem napětí, vznikajícím na červeném úseku. V praxi to znamená, že čidlo silně přeměřuje, obvykle měřená hodnota překročí horní hranici rozsahu, takže čidlo teploty (nebo všechna čidla na společném převodníku) hlásí 149 °C nebo podobně nesmyslnou hodnotu.


Obr. 2: Chybné zapojení pasivního čidlaObr. 2: Chybné zapojení pasivního čidla

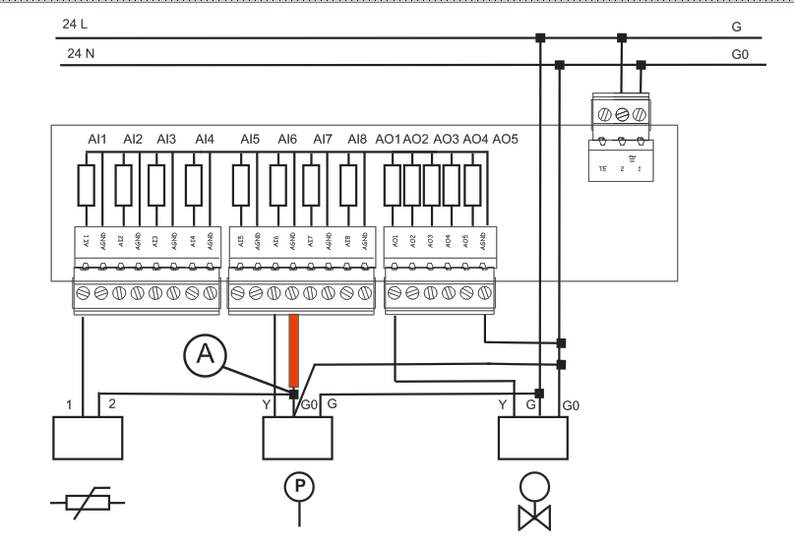
Při snaze o vylepšení podle Obr. 3 je tedy čidlo tlaku vedeno čtyřvodičově, napájení je řešeno samostatným párem G – G0. Čidlo teploty je ovšem „chyceno“ na společnou tzv. signálovou zem u vstupních svorek v rozvaděči (na obrázku bod A) – a problém tedy v menší míře trvá: úbytek napětí způsobený proudem z aktivního čidla do vstupu se opět přičítá k napětí, které potřebujeme měřit s přesností na mV (ve výše uvedeném zapojení vstupu odpovídá cca. 12 mV jednomu kelvinu).

Obr. 3: Další chybné zapojení pasivního čidla

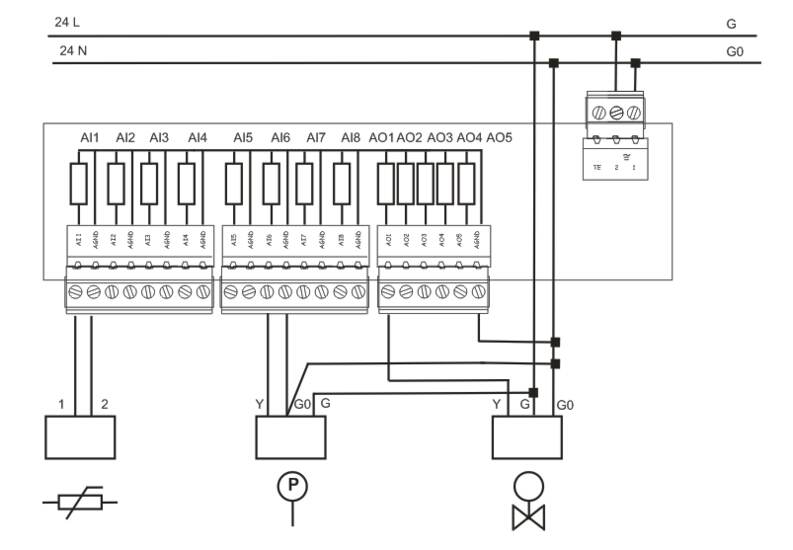
Teprve zapojení podle Obr. 4 by tyto problémy mělo řešit.


Obr. 4: Správné zapojení pasivního čidla

Výše uvedený problém může mít někdy až bizarní důsledky:

Na jisté akci bylo způsobem uvedeným na Obr. 3 zapojeno čidlo teploty a regulační ventil – pro aktivní výstupní periferie (ventily, klapky) platí stejná pravidla jako pro aktivní čidla. Při nízké teplotě vody v okruhu regulátor zvýšil napětí na ventilu, aby dotopil, což mělo za následek skok teploty směrem vzhůru. Na to regulátor reagoval přivřením ventilu, rušivý signál se zmenšil a teplota zdánlivě poklesla. Stav se zanedlouho ustálil a okruh reguloval naprosto stabilně, bohužel ovšem na příliš nízkou „teplotu“.

Zemnění

Potíží spojených s uzemňováním je celá řada a jejich odstraňování není snadné. Především se snažíme získat projekt, resp. schéma skutečného zapojení. Uvědomme si, že společné potenciály (G0, TE, N, PEN) jsou kresleny topologicky, tedy projekt obvykle neřeší, odkud a kam jsou vodiče taženy, ale jen jejich vzájemné vodivé propojení, které předpokládá nulový odpor vodičů.

V praxi do měření vstupuje odpor vedení, a to i uvnitř rozvaděče. Je tedy nutné používat společné svorkovnice pro všechny společné potenciály, jako PE, N, G a G0, a propoje mezi periferiemi, vstupy a výstupy regulátorů a dalšími součástmi vést vždy na tyto svorkovnice a pokud možno co nejkratší cestou. Dobrá montážní praxe zde pomůže zejména u druhé skupiny problémů, které mají společný jmenovatel: rušení způsobené střídavým proudem.

Chyby měření – indukované rušení

Indukované rušení je zákeřné v tom, že se šíří bezdrátově. Nakmitané napětí může pocházet z nejrůznějších zdrojů. Obvykle to jsou frekvenční měniče, fotovoltaické střídače, spínané zdroje nebo cizí systémy, jako motory, průmyslové přístroje či jiné spotřebiče.

Základ pro ochranu proti indukovanému rušení je v kvalitním provedení instalace. Kritické body jsou:

  • Souběhy vedení mimo rozvaděč: ačkoli doporučení udávají samostatné trasy pro silnoproud a sdělovací vedení s odstupem alespoň 20 cm, nebo kanály oddělené vodivou přepážkou, v praxi se zvláště u střešních venkovních VZT jednotek používají společné trasy. Zde je problém o to horší, že vedení jsou poměrně dlouhá.
  • Souběhy vedení v rozvaděči: snažme se silová vedení a sdělovací vedení vést po opačných bocích skříně, oddělovat silové prvky (stykače, frekvenční měniče) a vstupní měřicí moduly, a pokud možno udržovat vedení co nejkratší (vhodným umisťováním přístrojů na desku rozvaděče).
  • Instalace filtrů k přístrojům, které by je měly mít a nemají: to je spojeno s vícenáklady, což investor nese s nelibostí, nebo zamítne zcela („problém je v měření a regulaci, ne v technologii“).
  • Stínění, kterému věnujeme samostatný odstavec.

Stínění

Říká se, že špatné stínění je horší než žádné. Nekvalitně uzemněné stínění působí v podstatě jako přijímací anténa. Stínicí vodiče a pásky proto spojujeme do jednoho společného bodu a ten spojíme dostatečně silným vodičem s technickou zemí (TE) nebo potenciálem PEN, doporučuje se co nejblíže ke vstupu do rozvaděče – viz Obr. 5. Používáme samostatné šroubové svorky, zkroucení do společného svazku nestačí. Stínění by mělo být spojeno se zemí jen na jednom konci (v rozvaděči), aby nedocházelo ke vzniku smyček. Druhý konec se doporučuje buď nechat nezapojený, nebo spojit se zemí kapacitní vazbou (keramickým kondenzátorem o kapacitě řádově stovek nF).
Obr. 5: V horní části u místa pro vstup kabelů do rozvaděče připravená svorkovnice TE (vpravo od svorek)

Vstupní obvody regulátorů mají obvykle filtry pro frekvence 50 nebo 60 Hz, které mají eliminovat rušení síťovým brumem. Proti rušení z frekvenčních měničů, spínaných zdrojů a FV střídačů však tyto filtry nepomáhají.

Pro diagnostiku je zde vhodný osciloskop, kterým zjistíme u rušivých signálů i charakteristiky (frekvenci, tvar, přítomnost v čase). Podle toho můžeme lépe usoudit na příčinu. Postupujeme asi takto:

  • odpojíme z regulátoru nebo I/O modulu všechny ostatní typy signálů (analogové výstupy (AO), digitální výstupy (DO), digitální vstupy (DI)), necháme jen pasivní čidla,
  • odpojíme všechna čidla až na jediné, zkontrolujeme správnost měření,
  • postupně připojujeme další pasivní čidla a kontrolujeme správnost měření,
  • po jednom připojujeme aktivní čidla,
  • po jedné připojujeme analogové výstupní periferie (ventily, klapky).


Jakmile měřené teploty „uletí“, sledujeme charakter rušivého signálu (stejnosměrný offset / 50 Hz / jiný kmitočet), prověříme správnost zapojení právě připojované periferie a zkusíme přijít na to, proč právě ona (v kombinaci s již zapojenými čidly či výstupy!) měření zkresluje. Obvykle přijdeme na společné země, souběhy, pomáhá i zkusit oddělit napájení (přidat zdroj 24 V).

Při měření osciloskopem pozor na to, že zem sondy bývá galvanicky spojena s ochranným vodičem napájení. Abychom si mohli sondu připojit na „naši“ zem v rozvaděči, je nutné pro napájení osciloskopu používat UPS odpojenou od sítě.

Velmi záleží na provedení vstupních a výstupních modulů, zvláště u kombinovaných modulů (tedy obsahujících jak analogové vstupy (AI), tak AO). Několik příkladů:

  • Saia PCD2/3.W525: AI a AO mají v modulu společnou zem, napájení i sběrnice jsou galvanicky odděleny, modul obsahuje filtr 50/60 Hz),
  • Honeywell CLIOP 830: zem AI i AO galvanicky spojená s G0, používají se čidla NTC 20 kΩ,
  • Siemens PXC36-S: AI mají oddělenou zem (svorka M), AO mají společnou zem s napájením G0, oddělená komunikace,
  • Domat MCIO2: AI mají vlastní zem AIGND, AO mají vlastní zem AOGND, napájení i sběrnice jsou od ostatních částí modulu i navzájem galvanicky odděleny.

U modulů s lepším oddělením ovšem zase nesmíme zapomínat na propojení zemí s napájením u třívodičových aktivních čidel a analogových výstupních periferií, aby analogový signál byl vztažen k společné napájecí i signálové zemi čidla či ventilu nebo klapky G0.

Další řešení

Někdy pomáhá propojit zem napájení 24 V st (G0) se stínicí zemí (Technical Earth, TE), která vychází z ochranného vodiče (PE nebo PEN). To ale není galvanicky správné řešení, protože soustava 24 V st by měla být od země oddělena.

Softwarové korekce můžeme akceptovat pouze jako kompenzaci parazitního odporu kabelu. Setkal jsem se i se snahou zavést korekci dynamickou – bylo to v případě, kdy při změně otáček motoru řízením FM chyba teploty vzrůstala v závislosti na zvyšujících se otáčkách. Programátor měl v úmyslu měnit softwarovou korekci přímo v programu podle požadavku na řídicí signál pro FM; toto zcela jistě není správný postup, neodstraňuje příčinu a lze ho použít snad jen jako dočasné opatření, než se rušení odstraní změnou zapojení, instalací filtrů atd. (Bohužel, nejtrvanlivější bývá dobře udělané provizorium, a proto se podobným „řešením“ raději zcela vyhněme.)

Při přetrvávajících problémech se osvědčilo pro kritické periferie (frekvenční měniče) použít buď samostatný I/O modul analogových výstupů, kde výstup je galvanicky zcela oddělen od jakýchkoli dalších signálů, nebo – a to je asi ideální řešení – pro řízení FM použít komunikační linku, která jednak ušetří vstupy a výstupy v řídicím systému, jednak umožní zaintegrovat celou řadu signálů včetně diskrétních a kumulovaných hodnot, jako jsou chybové kódy, provozní hodiny atd.