cz
en

Co je to datový bod

Co je to datový bod

Pojem „datový bod“ je při dimenzování a specifikaci systémů měření a regulace – a řídicích systémů obecně – základním prvkem pro stanovení velikosti systému. Z hlediska procesního automatu ani softwaru nás příliš nezajímá, zda řízené čerpadlo u výměníku bude mít výkon 250 W nebo 2 kW, ani zda ventil na topné větvi, připojený na výstup regulátoru, má armaturu DN 25 nebo DN 80. Podstatné je, jaký typ řídicího signálu je pro jeho ovládání zapotřebí.

A právě signály, které se na vstupy a výstupy řídicího systému připojují, určují typy a počty těchto vstupů a výstupů – čili datové body. Datový bod je tedy z hlediska projektanta vstup nebo výstup řídicího systému, například měřená teplota, vlhkost nebo koncentrace plynu, signál o stavu hladiny, relé pro spínání ventilátoru nebo čerpadla, výstup pro řízení vzduchotechnické klapky atd. Počet datových bodů definuje velikost řídicího systému. Běžná výměníková stanice může obsahovat 20 – 50 datových bodů, větší kotelna s topnými okruhy 200 – 300 datových bodů – a celá budova až několik desítek tisíc datových bodů.

Fyzické datové body



Datové body mohou být různých typů. Základní dělení je na spojité a dvoustavové (binární) a na vstupy a výstupy řídicího systému:

Analogový vstup (AI):


Někdy též „UI“, univerzální vstup; neplést s „univerzálními vstupy/výstupy“ níže. Jedná se o vstup řídicího systému pro čtení spojité veličiny, jako je napětí, proud nebo odpor. Typ signálu a rozsah měřené veličiny závisí na hardwarové konstrukci vstupního obvodu a obvykle je přepínatelný, ať už hardwarově (jumper, DIP switch) nebo softwarově z konfiguračního programu, případně kombinací obojího. Typický rozsah napěťového vstupu je 0…10 V ss, můžeme se ale setkat i se vstupy, které měří i záporný rozsah (-10…10 V) nebo menší napětí (+/- 0,1 V, 0,5 V, 1 V atd.). Většina běžných čidel v systémech řízení budov má standardní výstupní signál právě 0…10 V, často s přepínatelným rozsahem měřené veličiny. Například měřený tlak 0…100 Pa odpovídá výstupnímu signálu 0…10 V, ale čidlo lze přepnout i na další rozsahy, například 0…1000 Pa opět odpovídá 0…10 V. Proto je nutné při uvádění do provozu zkontrolovat rozsah čidla a podle něj v softwaru nastavit přepočet napětí na vstupu na rozsah měřené veličiny. Toto samozřejmě platí i pro vstupy proudové a odporové.

U proudových vstupů se snad bez výjimky používá rozsah 0…20 mA nebo 4…20 mA. U druhého z nich se dá 0 mA na vstupu považovat za poruchu čidla, což (po vyhodnocení v řídicím systému) přináší další informaci navíc. Proudové vstupy jsou odolnější proti rušení a proto se často využívají v průmyslu; u systémů řízení budov je častější napěťový signál 0…10 V, zejména pro nižší cenu a snazší uvádění do provozu a diagnostiku.

Nejzajímavější jsou vstupy, resp. rozsahy, pro měření odporu. Ty se využívají zejména pro měření teploty pomocí pasivních čidel. Ta jsou relativně levná a proto jsou pro měření teploty „první volbou“, pokud není důvod k nasazení čidel s napěťovým nebo dokonce proudovým výstupem. Takovým důvodem může být velká vzdálenost mezi čidlem a vstupem, kde by hrál již velkou roli odpor kabelu nebo by hrozilo nebezpečí rušení. Odporové vstupy jsou na rušení nejcitivější – pro měření používají poměrně malý proud, cca. 0,3 mA, aby měřicí prvek nebyl průchodem proudu zahříván, což by vnášelo chybu měření. Změřený odpor se dále linearizační funkcí převádí na teplotu. Každý typ měřicího prvku (Pt1000, Ni1000 atd.) má jinou linearizační funkci, ale to je už jiný příběh.

Analogový výstup (AO):



Svorky, na nichž se objeví řídicí signál pro spojitě řízenou klapku, ventil, frekvenční měnič nebo jinou periferii. Používají se signály napěťové (0…10 V ss) nebo výjimečně proudové (0(4)…20 mA). Výstupy bývají odolné proti zkratu, maximální proud u napěťových výstupů je cca. 10 mA. Někdy se řídí více periferií společným signálem, například u vzduchotechnické jednotky obě klapky na sání i odpadním vzduchu mívají společný řídicí signál – analogový výstup. V těchto případech je ale nutné důkladně zvážit, zda opravdu nebude nutné za určitých podmínek řídit každou z nich zvlášť.

Digitální vstup (DI):



Název je možná trochu zavádějící, může připomínat nějakou datovou linku. Přesnější by bylo slovo „dvoustavový vstup“, někdy se setkáváme s pojmem „binární vstup“ (BI), což je asi nejvýstižnější označení: tento vstup je určen pro signály, které nabývají jedné ze dvou hodnot – vypnuto nebo zapnuto. Zdrojem signálu je spínací nebo rozpínací kontakt, tedy termostat, manostat nebo jiný „…stat“, vypínač, tlačítko, pomocný kontakt stykače, kontakt oddělovacího relé a podobně. Elektricky může jít buď o tzv. napěťově zatížený vstup, na který je nutné přivést napětí (obvykle se používá napájecí napětí modulu nebo PLC), nebo vstup pro bezpotenciálový kontakt.

 

Indikační LED u binárních vstupů a výstupů, PLC Domat

Binární vstupy bývají vybaveny indikátory, v aktivním stavu (pod napětím nebo sepnutý kontakt) svítí příslušná LED. V programu PLC je většinou možné logiku vstupu obrátit (negovat), takže při aktivaci vstupu je v programu logická 0. Negované signály se používají pro hlídání přerušení signalizační smyčky: při přerušení kabelu má signál stejnou hodnotu jako při alarmovém stavu, tedy log. 0, a obsluha se tak dozví, že periferie je v poruše.

 

Zapojení digitálního vstupu s cizím napětím

Na obrázku je digitální vstup DI7, na který je připojen manostat S4 na filtru VZT jednotky. V klidu je kontakt manostatu spojen, vstup je tedy pod napětím (24 V st, G vůči G0) - aktivní. Při zvýšeném tlaku (zanesení filtru) se kontakt rozpojí a vstup přejde do stavu „false“.

Vstup má odběr přibližně 10-15 mA, aby se zamezilo nežádoucí aktivaci vstupu indukovaným napětím. Vstupní obvody obsahují přepěťovou ochranu a opatření proti zakmitávání – příliš krátké signály v řádu milisekund jsou ignorovány.

Digitální výstup (DO):



Někdy též BO, binární výstup. Podobně jako u DI, u digitálního nebo binárního výstupu jde o dvoustavový signál, obvykle v podobě spínacího nebo přepínacího kontaktu relé. Někdy se setkáme s triakovým výstupem nebo stejnosměrným napětím 24 V, spínaného tranzistorem ve výstupní kartě. Relé má zatížitelnost například 230 V / 5 A a někdy se používá k přímému spínání slabších čerpadel a dalších agregátů, jindy je v ovládacím řetězci pro spínání cívky silnoproudého stykače. Ten pak spolu s motorovou ochranou zajišťuje napájení a spínání jedno- nebo třífázového motoru, el. ohřevu nebo podobného agregátu.

Tranzistorové výstupy jsou určeny k ovládání stejnosměrných relé nebo stykačů. Výstupy osazené tranzistory (typicky 24 V ss se zatížitelností 0,5 A) je nutné doplnit silovými relé, takže je otázka, zda jsou celkově cenově výhodnější tyto levnější tranzistorové výstupy nebo rovnou I/O moduly s relé na 230 V.

Zatímco mechanická relé mají omezenou životnost danou počtem sepnutí, a to řádově statisíce cyklů, triakové výstupy díky polovodičovému výkonovému prvku počet spínacích cyklů omezen nemají, nemohou se mechanicky „ucvakat“. Proto se využívají pro tzv. kvazispojité řízení elektrických ohřívačů nebo termických pohonů na ventilech. Jde o periodické spínání s periodou v desítkách vteřin a střídou úměrnou tomu, jaký průměrný výkon má ohřívač dodat nebo do jaké míry má být ventil otevřen.

Kromě těchto čtyř základních typů datových bodů se ještě můžeme setkat s čítacím vstupem:

Čítací vstup (CI):



CI neboli counting input je zvláštní typ binárního vstupu, který se vyznačuje vysokou rychlostí zpracování, a to až v řádu kHz. V systémech řízení budov se maximální frekvence impulzů pro čítací vstupy pohybuje kolem 50 Hz, ale i to je řádově rychlejší než běžná reakce vstupu digitálního (DI), která může být až 1 s. Čítací vstupy se používají pro počítání impulzů z vodoměrů, plynoměrů a elektroměrů. I když se snažíme dávat přednost komunikativním měřičům, někdy je impulzní signál jediná možná cesta, jak údaje o spotřebě získat: pro řízení čtvrthodinového maxima jsou impulzy o spotřebě a synchronizační čtvrthodinové impulzy standardním způsobem, jakým fakturační elektroměr komunikuje s řídicím systémem budovy.

I když některé digitální vstupy mají v softwaru i čítač náběžných hran, pro sběr dat z měřičů používáme výhradně k tomu určené čítací moduly. Impulzy mohou být dlouhé jen několik desítek milisekund a u běžných digitálních vstupů by mohly některé impulzy zůstat nezaznamenány.

Vzdálenost mezi zdrojem impulzů (elektroměrem) a čítacím vstupem by měla být co nejkratší, aby se předešlo rušení – čítací vstupy reagují i na velmi krátké impulzy a napěťové špičky naindukované na vedení mohou být mylně vyhodnoceny jako regulérní signál.

Univerzální I/O


Některé řídicí systémy, například Siemens Desigo, nabízejí univerzální vstupně-výstupní karty či moduly, které mohou být softwarově nastaveny jako vstupy či výstupy (DI, AO, AI napětí, proud či odpor). To přináší vysokou flexibilitu zejména při pozdějším rozšiřování systému, viz Rezervy.

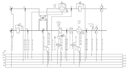
Datové body jsou v projektu MaR dobře viditelné v technologických schématech. Tabulka ve spodní části výkresu shrnuje po řádcích jednotlivé typy datových bodů a vpravo vidíme jejich součty (na schématu / celkem), které pak slouží jako podklad pro dimenzování I/O modulů nebo PLC.

 

Technologické schéma s datovými body

Všimněme si, že jedna periferie může obsahovat několik datových bodů: například každý frekvenční měnič obsahuje jeden DO (povolení chodu), jeden AO (řízení frekvence) a jeden DI (hlášení poruchy). Analogové vstupy jsou zde značeny UI („univerzální vstupy“) a jsou rozděleny do dvou skupin:

·        UIa – vstupy 0…10 V

·        UIr – vstupy pro pasivní odporová čidla.

Je to proto, že některé řídicí systémy mají část vstupů jednoúčelových (např. pouze měření odporu) a souhrnné označení „UI“ by neposkytovalo pro specifikování řídicího systému dostatečně přesnou informaci.

Virtuální datové body


Zatím jsme uvažovali pouze hardwarové vstupy a výstupy řídicího systému. I když tyto hardwarové neboli „fyzické“ datové body jsou stěžejní pro dimenzování řídicího systému, při tvorbě a zejména licencování softwaru musíme počítat i s dalšími, „virtuálními“ datovými body. Ty jsou představovány proměnnými v řídicím softwaru programovatelných podstanic. Jak mohou virtuální datové body ovlivnit celkový počet proměnných si ukážeme na typické regulační úloze, topném okruhu s ekvitermní regulací:

Fyzické datové body (5):

AI: Venkovní teplota, teplota topné vody (2)
AO: Regulační ventil topného okruhu (1)
DI: Signál chodu oběhového čerpadla (1)
DO: Spínání oběhového čerpadla (1)

Virtuální datové body (min. 20):

Parametry ekvitermní křivky, čtyřbodové, den a noc zvlášť (4 × 2 × 2 = 16)
Spočítaná teplota topné vody podle ekvitermní křivky (1)
Časový program (bere se jako 1, ale jde o poměrně složitou datovou strukturu)
Alarm – porucha čerpadla (1)
Povolení chodu okruhu (1)
… a pilný programátor by jistě ve svém softwaru našel ještě další.

V tomto, pravda, poněkud extrémním, případě je celkový počet proměnných pětinásobkem fyzických datových bodů. S virtuálními datovými body ovšem musíme počítat při odhadování pracnosti softwaru a především při dimenzování licence vizualizačního programu (SCADA). V praxi se bere pro účely licencování grafiky jako „počet tagů“ (neboli proměnných ve vizualizaci) trojnásobek nebo čtyřnásobek fyzických datových bodů.

Integrace po sběrnicích


Někde na pomezí fyzických a virtuálních datových bodů je ještě další skupina proměnných, a sice datové body získané integrací cizích nebo vlastních zařízení po komunikačních sběrnicích. Jde o fotovoltaické střídače, bateriové systémy, regulátory jednotlivých místností, ale i tepelná čerpadla, dieselagregáty atd. Pro výpočet náročnosti oživování je to taková „šedá zóna“, protože v ideálním případě technik přijde k oživenému cizímu zařízení, na první pokus naváže komunikaci a během půlhodinky zaintegruje desítky nebo stovky proměnných, zatímco jindy se trápí několik dní kvůli pěti  datovým bodům, které by snad bylo nakonec jednodušší propojit analogově. Záleží na předchozích zkušenostech technika a míře součinnosti dodavatele systému, s nímž máme komunikovat.

Samozřejmě pro licenci pro grafiku nutno kalkulovat skutečný počet integrovaných proměnných. Ve fázi nabídky to není snadné určit, proto raději počítáme s rezervou. Orientační hodnoty jsou tyto:

Zařízení
Počet integrovaných datových bodů
FV střídač
15 - 20
Frekvenční měnič
8 - 15
Dieselagregát
10 - 30
Systém řízení baterií
40 - 60

Zařízení Počet integovaných datových bodů
FV střídač 15-20
Frekvenční měnič 8-15
Dieselagregát 10-30
Systém řízení baterií 40-60

Výhodou integrace je, že některá data prostě není možné dobře přenášet v analogové podobě – např. kumulované hodnoty jako náměry měřičů, provozní hodiny, ale i čísla poruch nebo vícestavová hlášení provozních módů.

V některých případech díky integraci po komunikačním protokolu odpadnou fyzické vstupy a výstupy řídicího systému, což znamená úsporu na hardwaru (nikoli ovšem na aplikačním softwaru a licencích pro grafickou nadstavbu). Tento aspekt je také nutné při projektování zohlednit.

Zónová regulace



U regulátorů jednotlivých místností je to ještě zajímavější: Typický regulátor má minimálně 1 výstup (termický ventil), čidlo teploty a ovladač pro korekci teploty jsou součástí přístroje a nepřipojují se zvlášť, což usnadňuje oživování. Složitější systémy, u kterých se potkává ohřev, chlazení a případně i řízení světel a žaluzií, mohou ale představovat až desítky datových bodů na místnost – a navíc komplikované nastavení všech funkcí nebo dokonce aplikační programování v nadřazeném PLC. Pro výpočet licence pro grafiku uvažujeme u klimatizace (bez žaluzií a světel) na jednu místnost 10-12 datových bodů:

Požadované hodnoty komfort – útlum – vypnuto, vždy pro topení a pro chlazení (6)
Skutečná teplota v místnosti, uživatelská korekce „-3…+3K“, spočítaná teplota pro regulaci (3)
Výstupy topení, chlazení, stupeň ventilátoru (3)
Provozní mód regulátoru skutečný a nastavený z grafiky (2)
Případně stavy okenních kontaktů / čidla přítomnosti (2).

Vzhledem k opakovatelnosti zapojení ale lze pro uvádění do provozu počítat s úsporami z rozsahu, tj. pracnost jedné zóny je 5-7 datových bodů, výjimečně 3 datové body, když se podaří, aby část nebo většinu oživení provedla montážní firma. (Nutno podotknout, že testy „1:1“, tedy důkladnou kontrolu všech periferií vůči řídicímu systému, při oživování není radno podceňovat. Každá chyba v zapojení se zejména ve světě zónové regulace stává časovanou bombou, která exploduje se zpožděním několika měsíců či let.)

Tabulka datových bodů


V ČR tomu tak obvykle není, ale u projektů původem z Rakouska nebo Německa se setkáme navíc s tabulkou datových bodů. Ta je součástí realizačního projektu MaR podobně jako technická zpráva, kabelový seznam nebo zapojovací schéma. Slouží k přehlednému vyčíslení vstupů a výstupů a jejich typů a lze ji použít pro zpracování indikativní nabídky. Formát je dokonce standardizován v ČSN EN 16484-3, Automatizační a řídicí systémy budov, část 3 – Funkce:

 

Tabulka datových bodů. Zdroj www.rr-schema.de

V řádcích jsou jednotlivé periferie, ve sloupcích typy datových bodů a dále i funkce (manuální ovládání, PI regulace, alarm překročení mezí atd.). V tabulce jsou červeně zvýrazněny analogové vstupy u čidel – každé čidlo představuje jeden analogový vstup.

Tabulka datových bodů, pokud je udržována, představuje výbornou pomůcku pro stanovení softwarové náročnosti projektu a může pomoci i při případných sporech ohledně požadovaných a finálně realizovaných funkcí systému. Bohužel se v tuzemských projektech prakticky neobjevuje.

Rezervy


Při dimenzování řídicího systému bychom neměli zapomenout na případné pozdější rozšíření. Nejde jen o doplnění vstupně-výstupních modulů samotných, ale i o to, aby se I/O moduly vůbec vešly do rozvaděče a bylo je i jak připojit k periferiím, tzn. měli bychom počítat i s místem na svorkovnici a výkonem zdroje 24 V.

Zadavatel může mít v technické zprávě poznámku, v níž vyžaduje například 10% rezervu datových bodů, a to buď souhrnnou (pak můžeme započíst všechny neosazené vstupy a výstupy dohromady bez ohledu na typ), nebo od každého typu datového bodu (což už je přísnější požadavek). Tato chybějící nerealizovaná rezerva může být překážkou při předávání zakázky a proto se při výběru I/O modulů přesvědčíme, jestli je rezerva vyžadována a v jaké výši. To se samozřejmě týká i softwarových datových bodů. U licencí bývá dokupování dalších datových bodů možné, jde ale o vícenáklady, což může být nepříjemné zejména pokud těsně přesáhneme stávající hranici.

Závěrem


Datové body jsou základním měřítkem velikosti řídicího systému a proto je dobré jejich skladbě a počtu věnovat dostatečnou pozornost už ve fázi nabídky, neřkuli projektování. Správné dimenzování řídicího systému právě s ohledem na počet datových bodů fyzických i virtuálních ušetří práci montérům i programátorům a zabrání nepříjemným překvapením při instalaci softwarových licencí nebo dokonce při předávání zakázky.